400-9029908
wwf@keytex.cn
星期一 至 星期六: 8:30 - 17:30
今日访问人数:
公司介绍
社长致辞
企业理念
公司介绍
企业文化
企业资质
产品介绍
自动门系统
移门系统
中心吊
闭门器
铰链
玻璃门五金
顶级锁具
拉手门吸五金
净化器杀菌产品
FA光电感应器
资讯
公司新闻
新品介绍
行业新闻
资料下载
产品视频
联系我们
语言
中文
English
         小思空气管家
来啦!
产品说明
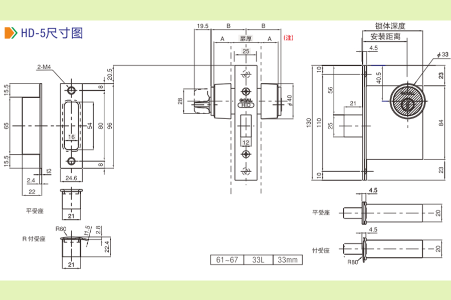
尺寸结构
文档下载
产品特点:
超高强度、耐久性的单门锁,适用MASTER KEY:MK,GMK,GGMK;日本公共建筑协会推荐品牌;具备超级强度及持久的耐用性;用途:一门二锁辅助锁、检修室、保管室、宴会厅等。
技术参数表:
设备型号
HD-S
适用门厚
29~43、43~53mm
安装距离
38mm、51mm、64mm、76mm
产品安装或使用说明书:
985