400-9029908

wwf@keytex.cn

星期一 至 星期六: 8:30 - 17:30

今日访问人数:

         小思空气管家来啦!

产品特点:
日本公共建筑协会推荐品牌,适用MASTER KEY:MK、GMK、GGMK



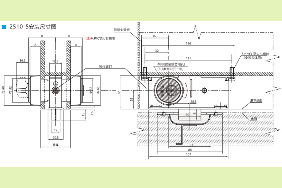
技术参数表:
设备型号 2510-5
适合门厚 25~38、38~78、48~58mm
安装距离 25mm
产品安装或使用说明书: null